当前板块 : 资料下载
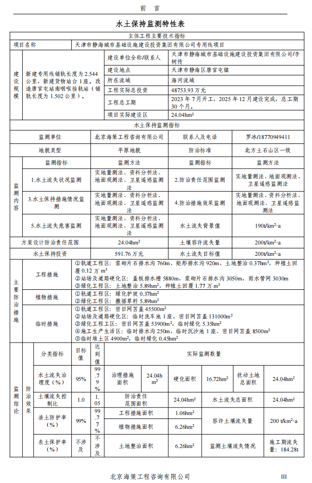
天津市静海城市基础设施建设投资集团有限公司专用线项目水土保持监测总结报告
作者:水土保持技术服务 发布日期:2026-02-10

声明:

      本站旨在整合互联网上的水保专业信息,供从业者学习交流,促进行业发展。如本站所载资料不慎侵犯了您的合法权益,我们深表歉意,请您及时联系本站,我们将第一时间进行删除。

       我们一贯支持知识产权的保护,因此全站所提供的下载均为测试性、研究性的,请您在24小时内删除,如确需使用,请您联系版权方获取授权。因您的下载、传播、复制等行为而产生的法律后果与我站无关,敬请知悉。


全文可下载附件查阅:

附件1:天津市静海城市基础设施建设投资集团有限公司专用线项目水土保持监测总结报告.pdf